A Momentary Lapse of Reason Tour Rig
I was fortunate enough to get in contact with Robert Bradshaw of Custom Audio Electronics, who had created an ingenious MIDI foot control board for use with Pink Floyd's Momentary Lapse of Reason touring rig. Below is a brief Q & A with Mr. Bradshaw followed by some amazing schematics and pictures furnished by Mr. Bradshaw:
How did you come to work with Pink Floyd during the 1987 era?
Good question. I'd have to assume it's because they were recording "Momentary Lapse" in LA and my rep was white hot at the time. With all respect to Mr Cornish (who I feel does unparalleled work) my work was unprecedented at the time. No one was doing remote controlled audio routing with presets and midi that I was aware of. I had not even heard of Pete Cornish until I started doing work for Andy Summers, Trevor Rabin, etc....I had built my early rep with many of the LA studio players who benefited greatly from my designs. Word of mouth grew, and I started doing more "rock" players. Andy Summers heard of me through Peter Frampton, for example. Actually, one of my earliest guys, and close friend Michael Landau played on MLOR, on the tune One Slip. Not to mention Steve Lukather, who is friends with David. So that's probably where he heard of me.
What challenges did you face in putting
together the 1987 rig for Pink Floyd's David Gilmour?
Well, by this time I had been building custom systems for about 7 years. My
techniques were constantly evolving, and by this time results were becoming more
predictable. This was by no means the largest system I had put together, nor was
Mr Gilmour the biggest "rock star" I had built systems for, with all due
respect, of course! However, having said that, this was after all "The Pink Floyd"
and with that comes a certain responsibility to do your best, Which I feel I did
at that time. But the "challenge" was just to interface this unique batch of
gear and make it all work as seamlessly as possible, which is pretty much the
same for any system I do, no matter how complicated.
What was the signal path of the 1987
rig? Were there any changes made to it during the course of the tour (that you
remember) (ED note: What I'm looking for is verification of at least initial
effects used on this rig) Amps?
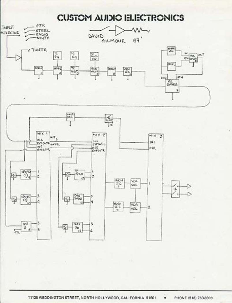
See the diagrams I am sending...all will be revealed!
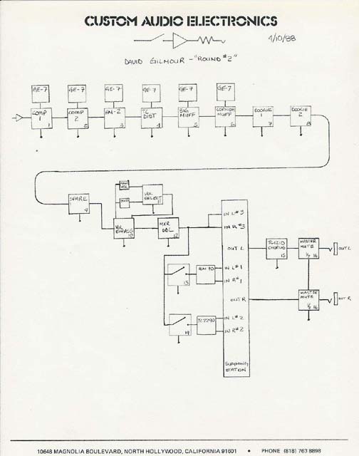
(See below pictures!) We actually did a revision to
the system in "88" and re-configured for some different effects, mainly the
replacement of some "rack" effects with more pedals. (See diagrams). Amps were
mainly Fender Twins with Mesa Boogie rack mounted amps on load resistors used as
glorified fuzz boxes!
Your foot controller for the 1987 rig,
was there anything specific about it that had to be included? Does it allow for
presets (MIDI)?
Yes, this board had extensive midi program change capability, actually more so
than any midi controller made since ,including my existing RS-10! This system
also had 2 remote controllers that could access it's "Preset" switches. You see,
a CAE foot controller consists of multiple "direct access switches" (which
control each loop or function in the system) along with a bank up, and 4
"preset" switches. A "Preset" in a CAE controller consists of a combination of
any number of "direct access switches" along with multiple midi program change
commands on multiple midi channels (if needed). The "presets" were somewhat
limited (due to memory considerations) to 10 Banks of 4 random access (mutually
exclusive) switches.

David Gilmour's Rack set up for rehearsals of the Momentary Lapse of Reason Tour

1987 MLoR Tour Rig Diagram

1987 MLoR Floor Board

Robert Bradshaw's Diagram for the 1987 Floor Board

1987 MLoR Touring Rack (Front)

1987-1988 Floor Board Changes

1988 Robert Bradshaw Signal Path Diagram for changed MLoR Rack Unit

1988 Pedal (top of rack) Layout